Описание
Важно! При заказе запасных частей льдогенератора необходимо указать его модель, серийный номер и дату выпуска.
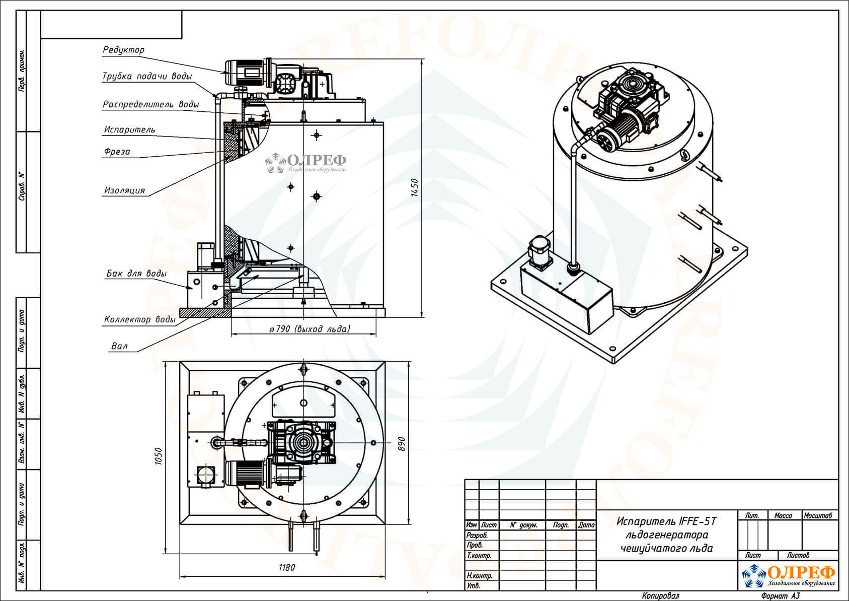
Испаритель
Внутренняя поверхность испарителя - нержавеющая сталь 304
Внешняя изоляция испарителя - пенополиуретан
Корпус
Крышка верхняя - нержавеющая сталь 304
Резервуар для воды
Поплавковый клапан
Водяной насос
Основание и рама - нержавеющая сталь 304
Соединительная трубка для водоснабжения
Вращающаяся часть
Центральный вал вращающийся между двумя подшипниками
Верхний поддон распределения воды
Спиральная фреза
Привод вращающейся части
Мотор-редуктор
Разное
Насос-дозатор солевого раствора
Датчик отсутствия воды
Датчик заполнения бункера
Характеристики
| Модель | IFFE-5T |
|
|
5000 |
| Вода | Пресная |
| Длина, мм | 1180 |
| Ширина, мм | 1050 |
| Высота, мм | 1450 |
| Масса, кг | 370 |
| Производство | Китай |
